*   Staatliche Berufsfachschule für Informatik Hof       *         Elektrotechnik / Elektronik    *
Name
 
Klasse
   TAI 11
Datum
 
 
Blatt-Nr.
 
Seite zurück Seite vor





Übungsaufgaben zum Themenbereich: belasteter Spannungsteiler

1. Für eine Spannungsverstärkerstufe nach Abbildung soll der Basis-
    Spannungsteiler berechnet werden. Dimensionieren Sie R1 und Rq
    nach Ohmwert und Belastbarkeit für URE=1,5V und UBE=0,65V.
    Der Basisstrom Ib betrage 15mA, der Querstromfaktor soll 10 sein.
         geg.:

         ges.:

    Lösung :
 
 
 
 
 
 
 
 
 
 
 
 
 

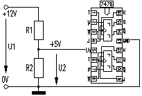
2. Ein digitales IC benötigt eine Betriebsspannung von +5V. Diese Spannung soll
   aus einer Spannungsquelle von +12V mit einem Spannungsteiler erzeugt
   werden. Das digitale IC zieht je nach Schaltzustand einen Laststrom von ca.
   3....5mA. Berechnen Sie Rq und R1 nach Ohmwert und Belastbarkeit für
   die mittlere Belastung von 4mA bei einem Querstromfaktor von 8.
   Auf welche Werte verändert sich die Ausgangsspannung bei den Eck-
   werten der Last 1kW und 1,5kW und bei Leerlauf ?
   Welchen Wirkungsgrad hat die Schaltung beim mittleren Laststrom 4mA ?
         geg.:

         ges.:

    Lösung :
 
 
 
 
 
 
 
 
 
 
 
 
 
 
 
 

- © scha 12 / 2002 -                Inhaltsverzeichnis Seitenanfang Seite vor